Forged washer head bolts are used in the pole line industry and provide increased bearing surface on the cross arm due to the integrated washer that is forged under the square head. They are commonly used with square nuts and are hot-dip galvanized to prevent corrosion. Standard thread lengths for pole line fasteners, which are longer than standard bolts, are applied to washer head bolts. A semi-cone point is added to the threaded end to facilitate easy installation.
Manufacturing:
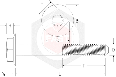
Fastindo Wiratama manufactures washer head bolts from 1/2″ diameter through 7/8″ diameter. These bolts are manufactured to ASTM specification A307 Grade A. They are forged with a square head and large washer surface under the head. All processes including hot-dip galvanizing, are performed in-house.
| Washer Head Bolt Dimensions | |||||||||
|---|---|---|---|---|---|---|---|---|---|
| Bolt Diameter | D | H | W | B | C | F | |||
| Body Diameter | Height (Head) | Height (Washer) | Outside Diameter (Washer) | Width Across Corners (Head) | Width Across Flats (Head) | ||||
| Max | Min | Basic | Max | Min | |||||
| 1⁄2 | 0.515 | 0.290 | 0.130 | 1.40 | 1.061 | 0.995 | 3⁄4 | 0.750 | 0.725 |
| 5⁄8 | 0.642 | 0.420 | 0.125 | 1.80 | 1.326 | 1.244 | 15⁄16 | 0.938 | 0.906 |
| 3⁄4 | 0.768 | 0.490 | 0.110 | 2.20 | 1.591 | 1.494 | 11⁄8 | 1.125 | 1.088 |
| 7⁄8 | 0.895 | 0.640 | 0.180 | 2.60 | 1.856 | 1.742 | 15⁄16 | 1.312 | 1.269 |